CT-C系列熱風循環烘箱配用低噪音耐高溫軸流風機和自動控溫系統,整個循環系統全封,使烘箱的熱效率從傳統烘房的3-7%提高到目前的35-45%,最高熱效率可達50%。CT-C型熱風循環烘箱的設計成功,使我廠的熱風循環烘箱達到了國內外先進水平,為我國節約了大量能源,提高了企業的經濟效益。1990年國家醫藥管理局發行了行業標準,統一型號為RXH。
熱風循環烘箱特點
1、大部分熱風在箱內循環,熱效率高,節約能源。
2、利用強制通風作用,箱內設有可調式分風板,物料干燥均勻。熱源可采用蒸汽、熱水、電、遠紅外,選擇廣泛。
3、整機噪音小,運轉平穩。溫度自控,安裝維修方便。
4、適用范圍廣,可干燥各種物料,是通用的干燥設備。
應用范圍
熱風循環箱適用于制藥、化工、食品、農副產品、水產品、輕工、重工等行業物料及產品的加熱固化、干燥脫水。如原料藥、中藥、中藥飲片、浸膏、粉劑、顆粒、沖劑、水丸、包裝瓶、顏料、脫水蔬菜、瓜果干、瓜子、香腸、塑料樹脂、電器原件、烘漆等。
熱風循環箱主要技術參數及有關說明
一、加熱熱源蒸汽、遠紅外,電蒸汽兩用,供用戶選擇。
二、使用溫度:蒸汽加熱50-60℃,最高150℃。
三、用電、遠紅外溫度50~350℃。
四、備有自控系統和電腦控制系統供用戶選擇。
五、常用蒸汽壓力0.2~0.8MPa(2~8kg).
六、配用電加熱按1型計算15kw,實用5-8Kw/h.
七、特殊要求在訂貨時表明。
八、非標烘箱價格面議。
九、使用溫度大于140℃或小于60℃,要在訂貨時注明。
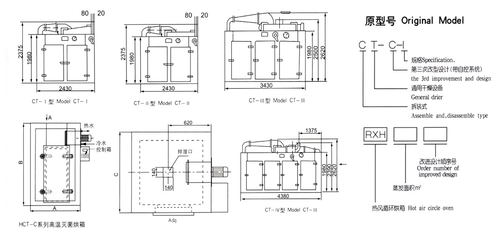
十、烘車、烘盤尺寸統一,可以互換。
十一、烘盤尺寸:460×640×45.

熱風循環烘箱主要技術參數
|
行業標準型號 |
|
每次干燥量 |
配用功率 |
耗用蒸汽 |
散熱面積 |
風量 |
上下溫差 |
配用烘盤 |
外形尺寸面 寬W×深度D×高H (mm) |
配套烘 |
設備重量 (kg) |
|
RXH-14-B |
CT-Ⅰ |
100 |
1.1 |
20 |
20 |
1400 |
±2 |
48 |
2430×1200×2375 |
2 |
1200 |
|
RXH-27-B |
CT-Ⅱ |
200 |
1.1 |
40 |
40 |
5200 |
±2 |
96 |
2430×2200×2375 |
4 |
1500 |
|
RXH-41-B |
CT-Ⅲ |
300 |
2.2 |
60 |
80 |
9800 |
±2 |
144 |
3430×2200×2620 |
6 |
2000 |
|
RXH-54-B |
CT-Ⅳ |
400 |
2.2 |
80 |
100 |
9800 |
±2 |
192 |
4380×2200×2620 |
8 |
2300 |
|
RXH-5-C |
CT-C-O |
25 |
0.45 |
5 |
5 |
3450 |
±2 |
8 |
1200×1000×1750 |
0 |
800 |
|
RXH-7-C |
CT-C-I A |
50 |
0.45 |
10 |
10 |
3450 |
±2 |
24 |
1400×1200×2000 |
1 |
1000 |
|
RXH-14-C |
CT-C-Ⅰ |
100 |
0.45 |
18 |
20 |
3450 |
±2 |
48 |
2300×1200×2000 |
2 |
1500 |
|
RXH-27-C |
CT-C-Ⅱ |
200 |
0.9 |
36 |
40 |
6900 |
±2 |
96 |
2300×2200×2000 |
4 |
1800 |
|
RXH-27A-C |
CT-C-ⅡA |
200 |
0.9 |
36 |
40 |
6900 |
±2 |
96 |
4460×1200×2290 |
4 |
1800 |
|
RXH-41-C |
CT-C-Ⅲ |
300 |
1.35 |
54 |
80 |
10350 |
±2 |
144 |
3300×2220×2000 |
6 |
2200 |
|
RXH-42A-C |
CT-C-Ⅲ A |
300 |
1.35 |
54 |
80 |
10350 |
±2 |
144 |
2300×3220×2000 |
6 |
2200 |
|
RXH-54-C |
CT-C-IV |
400 |
1.8 |
72 |
100 |
13800 |
±2 |
192 |
4460×2200×2290 |
8 |
2800 |
|
型號 MODEL |
A |
B |
C |
裝機功率 |
使用溫度 |
烘車 |
烘盤 |
烘盤尺寸 Size |
|
HCT-C-O |
1280 |
1850 |
1080 |
18(kw) |
~300℃ |
無 |
8只 |
700×800×45 |
|
HCT-C-IA |
1480 |
2160 |
1240 |
24(kw) |
~300℃ |
1輛 |
24只 |
640×460×45 |
注:材質有碳鋼、鋁合金、不銹鋼;物料最終含水量(濕基)<1%






